專業制造碳鋼/不銹鋼旋振篩
—免費提供篩分解決方案—

產品介紹:塑料防腐蝕旋振篩又叫耐腐蝕旋振篩、聚丙烯塑料旋振篩、塑料化工過濾振動篩等等多種不同稱呼,但是主要使用目的是將腐蝕性較大的物料進行篩分過濾
篩網規格是2-200目,電壓380v
應用范圍:塑料防腐蝕旋振篩是專門針對解決一些特殊物料與Q235普通碳鋼及SUS304不銹鋼材質接觸后容易產生氧化、腐蝕等問題。
電話:0373-2849 333
塑料防腐蝕旋振篩叫聚丙烯振動篩主要是為了解決篩分物料與金屬接觸而產生化學反應的問題。塑料防腐蝕振動篩從篩框、篩網和清網裝置采用非金屬材料,排除了一些特殊物料與金屬接觸會產生化學反應的問題。

大漢公司設計研發的塑料旋振篩是專門針對解決一些特殊物料與Q235普通碳鋼及SUS304不銹鋼材質接觸后容易產生氧化,腐蝕等問題。塑料振動篩與物料接觸部分采用的是PP塑料材質,是目前有效解決具有氧化,腐蝕鋼鐵材質的物料篩分,除雜,過濾的方案,并且確保了物料在篩分過程中不會變質。
塑料防腐蝕旋振篩使用目的:分級、去液體、去雜質。

1、分級:用SLS系列三次元振動篩分過慮機一臺即可連續的對產品實行分離篩選,多層使用一次可分離篩選出六組不同粒徑的產品且不會出現顆粒大小比例不一致的現象。
2、去液體:本設備單層、多層使用,可十分有效地處理固體、液體的混合物料,快速實現固液分離,并篩選過慮出不同的目的物料。
3、去雜質:本設備可對大量物料,除去大小不同的小部分物料,進行快速分離。
塑料振動篩又稱為塑料化工旋振篩、塑料化工振蕩篩、塑料化工震動篩、塑料化工圓振篩、塑料化工過濾振動篩等等多種不同稱呼,但是主要使用目的是將腐蝕性較大的物料進行篩分過濾。

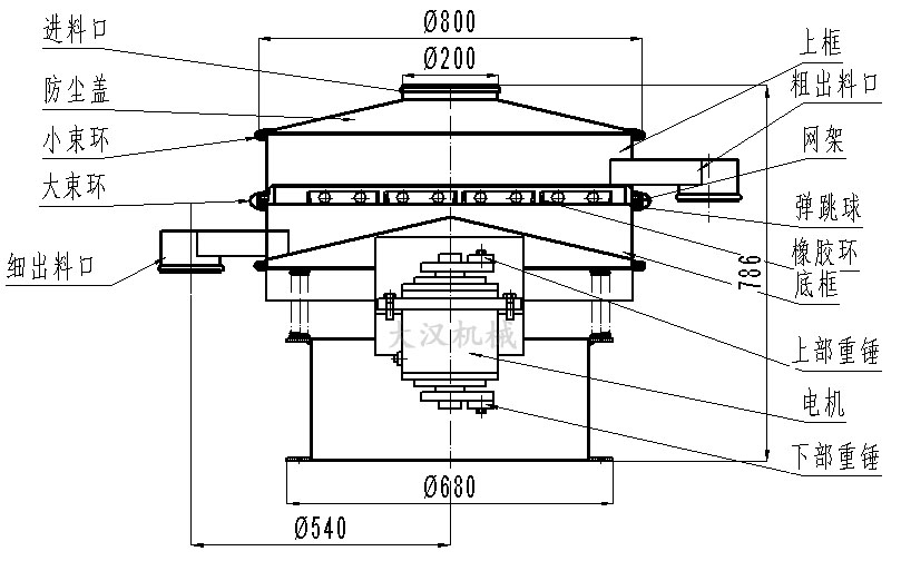
塑料防腐蝕旋振篩采用YZUL立式振動電機作為激振源,通過振動電機上下兩端的偏心重錘將旋轉運動轉變為水平、垂直、傾斜的三次元運動,并傳遞到旋振篩的篩面上;物料通過入料口進入設備內,根據不同物料篩分要求,物料經過1-5層采用不同目數的金屬編織篩網的篩分層,在這個過程中,位于各層的篩網下的清網裝置(彈跳球)通過頻率振動不斷撞擊不銹鋼篩網,使篩網上層物料能夠順暢的透網篩分,并有效解決了物料堵網問題出現,不同目數的物料通過各層對應目數的篩網后在各層的出料口排出,終實現篩選除雜或過濾分級的目的。




1、防腐蝕性更高,篩機使用壽命更長。

2、篩網采用尼龍材質,防腐性更好。

3、設備操作簡單, 使用起來更方便。

4、連續生產,自動分級篩選。
1、必須均勻給料:給料量以滿足設備處理為準。一次投料過多,阻礙物料在篩面上的正常運動,不但易使篩網疲勞變松,而且會大大降低物料處理量。 一次性給予大量物料,會使本身處于不平衡運轉的電機負荷驟然增加,而造成電機損壞、減低電機的壽命。如給料量達不到設備的處理能力,即浪費能源,又降低了 產量。
2、有強大沖擊力的給料方式,必須加裝緩沖料斗,物料直接沖擊網面,不但消耗振動源所產生的激振力,更易造成網面破損及篩網疲勞,而影響產量及篩分.過濾的質量。
3、如篩分物料有腐蝕性,使用過后請及時清理干凈。
4、請經常觀看工作網是否變松,請再次使網繃緊。
Copyright 2008-2021 旋振篩廠家-新鄉市大漢振動機械有限公司 All Rights Reserved 版權所有
網站備案號:豫ICP備09002479號-33